Projektujemy systemy oczyszczania ścieków dla zakładów przemysłowych. Oferujemy opis procesu, bilans ścieków i odpadów, dobór urządzeń, obliczenia zużycia mediów, projekt terenu, zestawienie urządzeń oraz wytyczne techniczne.
Projektujemy systemy oczyszczania ścieków dla zakładów przemysłowych.
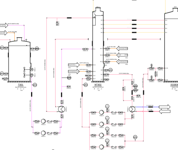
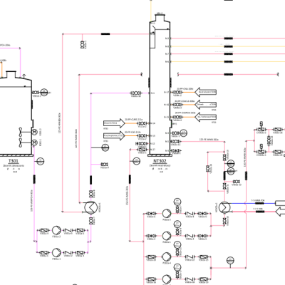
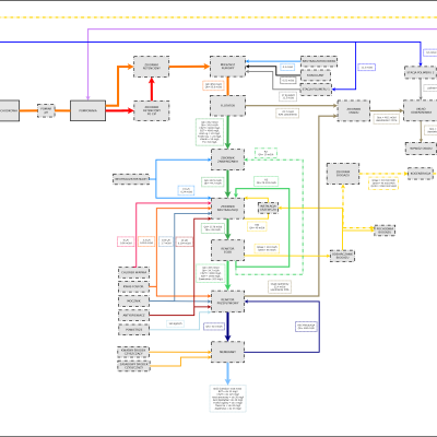
Projekt technologiczny może obejmować:
Dokumentacja jest dostarczana w wybranym języku, w formie elektronicznej (standard: PDF, DOC, XLS, DWG) przez email i/lub na płycie DVD.
Separacja mechaniczna czyli oddzielanie elementów stałych ze strumienia ścieków
Większość strumieni ścieków przemysłowych zawiera elementy stałe, które muszą zostać usunięte zanim ścieki trafią do urządzeń oczyszczalni. Usunięcie ciał stałych jest konieczne, aby zabezpieczyć pompy, mieszadła, czujniki i inne elementy instalacji przed zablokowaniem bądź nawet uszkodzeniem. W instalacjach EMI stosujemy dwa etapy podczyszczania mechanicznego: zgrubne i dokładne. Podczyszczanie zgrubne usuwa największe elementy, o przekroju powyżej 20 mm i jest realizowane już na wlocie do pierwszej pompowni, zanim ścieki będą miały kontakt z jakąkolwiek pompą. Urządzeniami do zgrubnej separacji są sita pionowe, kraty koszowe i kraty schodkowe/hakowe. Celem dokładnego podczyszczania mechanicznego jest dalsze usuwanie cząstek stałych, przy czym ich przekrój spada poniżej 3 mm, najczęściej do 1 mm, choć w niektórych przypadkach właściwe jest zastosowanie nawet mniejszych przekrojów (do 0.25mm). Na tym etapie wykorzystuje się sita łukowe i obrotowe. Ten drugi rodzaj sit występuje w układzie z napływem zewnętrznym bądź wewnętrznym. Podczyszczanie mechaniczne wiąże się z bardzo niewielkimi kosztami, wynikającymi głównie z zużycia wody płuczącej sita. Nie są stosowane żadne reagenty, a zużycie energii jest minimalne. Ścieki podczyszczone mechaniczne nadają się do dalszego oczyszczania na drodze fizyko-chemicznej i biologicznej.
Uśrednianie w celu podniesienia efektywności i obniżenia kosztów oczyszczania ścieków.
Ścieki w zakładach przemysłowych powstają w wielu miejscach i w wielu procesach. W efekcie ich ilość i skład wahają się znacznie w ciągu doby, a czasem wielu dni. Dopasowywanie procesu oczyszczania do szybko zmieniających się ścieków byłoby nieefektywne i nieekonomiczne. Dlatego w instalacjach przemysłowych stosujemy zbiorniki uśredniające o odpowiedniej wielkości i wyposażeniu. Wielkość dobieramy w oparciu o dane z zakładu, wiedzę branżową i nasze własne doświadczenie. Wyposażenie zbiorników uśredniających może obejmować pompy, mieszadła, układy napowietrzania, neutralizacji, by-passy i dodatkowe zbiorniki przechwytujące oraz wiele innych elementów dobranych starannie do wymagań poszczególnych przypadków.
Korekta pH w trybie przepływowym lub porcjowym/szarżowym
Zapewnienie odpowiedniej wartości pH w ściekach jest bardzo ważne z dwóch powodów. Po pierwsze, każdy odbiornik (kanalizacja, środowisko) wymaga, aby kierowane do niego ścieki miały pH w z góry ustalonym zakresie. Po drugie, same procesy podczyszczania i oczyszczania ścieków wymagają zapewnienia ich odpowiedniego odczynu. Emi oferuje szeroką gamę rozwiązań, od prostych układów z jednym pomiarem i dozowaniem jednego środka neutralizującego po skomplikowane, wieloetapowe i wymagające stosowania szczególnych środków neutralizujących. Korekta pH może odbywać się na wielu poziomach, etapach i w jednym z dwóch trybów: przepływowym (online) lub szarżowym (porcjowym).
Flotacja jest najbardziej efektywną metodą usuwania zanieczyszczeń takich jak tłuszcze, zawiesiny, substancje ropopochodne.
Flotacja jest najbardziej efektywną metodą usuwania zanieczyszczeń takich jak tłuszcze, zawiesiny, substancje ropopochodne i inne substancje nierozpuszczone występujące ściekach przemysłowych. Wyodrębnienie tych zanieczyszczeń odbywa się w procesach chemicznych przy użyciu koagulantów i flokulantów (polimerów). Po wyodrębnieniu następuje rozdzielenie z użyciem mieszanki wodno-powietrznej w komorze flotatora. Powstały osad jest odprowadzany poza układ i ewentualnie odwadniany przed oddaniem do utylizacji, np. w biogazowni.
Reaktor biologiczny, w którym procesy denitryfikacji, nitryfikacji i sedymentacji odbywają się w zaprogramowanym cyklu w jednym zbiorniku.
Sekwencyjny reaktor biologiczny (SBR) to system oczyszczania ścieków, który działa w cyklach składających się z kilku etapów. Proces rozpoczyna się od napełnienia reaktora ściekami. Następnie zachodzi faza napowietrzania, w której tlen jest dostarczany do mikroorganizmów, aby te mogły rozkładać zanieczyszczenia organiczne. Kolejny etap to sedymentacja, w trakcie której czysta woda oddziela się od osadu biologicznego. Po tym następuje faza odprowadzenia oczyszczonej wody z reaktora. W ostatniej fazie reaktor jest przygotowywany do kolejnego cyklu poprzez usunięcie nadmiaru osadu. Cykl ten powtarza się, umożliwiając ciągłe oczyszczanie ścieków. SBR charakteryzuje się elastycznością operacyjną, co umożliwia dostosowanie procesu do zmieniających się warunków i obciążenia ściekami.
Nowoczesny reaktor przepływowy, w którym za separację osadu odpowiadają membrany ultrafiltracyjne.
Membranowy reaktor biologiczny (MBR) to zaawansowany system oczyszczania ścieków, który łączy proces biologicznego rozkładu z filtracją membranową. W pierwszym etapie ścieki są kierowane do reaktora biologicznego, gdzie mikroorganizmy rozkładają zanieczyszczenia organiczne. Następnie mieszanina ścieków i osadu przepływa przez membrany, które działają jak filtry, zatrzymując cząstki stałe i mikroorganizmy, a przepuszczając oczyszczoną wodę. Membrany te mogą być zanurzone bezpośrednio w reaktorze lub umieszczone w osobnym module filtracyjnym. Dzięki zastosowaniu membran, MBR zapewnia wysoką jakość oczyszczonej wody, eliminując potrzebę stosowania osadników wtórnych. System ten jest efektywny w usuwaniu zarówno zanieczyszczeń organicznych, jak i patogenów, dzięki czemu może być stosowany do różnych zastosowań, w tym do uzyskiwania wody o jakości wody pitnej. MBR charakteryzuje się kompaktową budową i możliwością pracy przy wysokim obciążeniu ściekami, co czyni go efektywnym i wszechstronnym rozwiązaniem w oczyszczaniu ścieków.
Klasyczny układ ze zbiornikami nitryfikacji, denitryfikacji i osadnikiem radialnym.
Klasyczny przepływowy reaktor biologiczny, znany również jako reaktor osadu czynnego, to system oczyszczania ścieków oparty na biologicznym rozkładzie zanieczyszczeń przez mikroorganizmy. Proces rozpoczyna się od wprowadzenia ścieków do komory napowietrzania, gdzie są mieszane z osadem czynnym zawierającym mikroorganizmy. W tej komorze ścieki są napowietrzane, co dostarcza tlen niezbędny do aktywności mikroorganizmów, które rozkładają zanieczyszczenia organiczne. Następnie mieszanina ścieków i osadu przepływa do osadnika wtórnego, gdzie następuje sedymentacja, czyli oddzielenie oczyszczonej wody od osadu. Oczyszczona woda jest odprowadzana do dalszego uzdatniania lub do odbiornika wodnego. Część osadu jest recyrkulowana z powrotem do komory napowietrzania, aby utrzymać odpowiednią ilość mikroorganizmów, a nadmiar osadu jest usuwany. Ten cykl zapewnia ciągłe i efektywne oczyszczanie ścieków, wykorzystując naturalne procesy biologiczne.
Zaawansowany system oczyszczania ścieków, który wykorzystuje procesy beztlenowe do rozkładu zanieczyszczeń organicznych i produkcji biogazu.
Beztlenowy reaktor biologiczny typu EGSB (Expanded Granular Sludge Bed) to zaawansowany system oczyszczania ścieków, który wykorzystuje procesy beztlenowe do rozkładu zanieczyszczeń organicznych. Ścieki są wprowadzane do reaktora od dołu, przepływając przez warstwę granulowanego osadu biologicznego zawierającego mikroorganizmy beztlenowe. Mikroorganizmy te rozkładają materię organiczną, produkując biogaz, głównie metan i dwutlenek węgla. Dzięki wysokiej prędkości przepływu, osad granulowany unosi się i rozszerza, zwiększając powierzchnię kontaktu między ściekami a mikroorganizmami, co poprawia efektywność procesu. Powstały biogaz jest zbierany na górze reaktora i może być wykorzystywany jako źródło energii. Oczyszczona woda jest odprowadzana z reaktora, a osad jest recyrkulowany, co pozwala na utrzymanie wysokiej aktywności biologicznej. System EGSB jest wydajny i efektywny, szczególnie w przypadku ścieków o wysokiej zawartości substancji organicznych, oferując korzyści energetyczne i środowiskowe. EMI dostarcza reaktory EGSB z opracowanymi wewnętrznie separatorami trójfazowymi i systemem dystrybucji ścieku surowego.
System oczyszczania ścieków wykorzystujący beztlenowe mikroorganizmy do rozkładu materii organicznej.
Beztlenowy reaktor biologiczny typu UASB (Upflow Anaerobic Sludge Blanket) to system oczyszczania ścieków wykorzystujący beztlenowe mikroorganizmy do rozkładu materii organicznej. Ścieki są wprowadzane od dołu reaktora i przepływają w górę przez warstwę osadu biologicznego. Mikroorganizmy w osadzie rozkładają zanieczyszczenia organiczne, w wyniku czego powstaje biogaz, głównie metan i dwutlenek węgla. Biogaz ten unosi się ku górze reaktora, gdzie jest zbierany i może być wykorzystany jako źródło energii. Granulowany osad tworzy naturalny filtr, zatrzymując cząstki stałe i zapewniając efektywne oczyszczanie ścieków. Oczyszczona woda opuszcza reaktor przez górną część, a część osadu jest recyrkulowana, co pomaga utrzymać wysoką aktywność mikrobiologiczną. UASB charakteryzuje się prostą konstrukcją, niskimi kosztami eksploatacji i zdolnością do efektywnego oczyszczania ścieków o wysokiej zawartości substancji organicznych.
Zaawansowany system oczyszczania ścieków, który łączy beztlenowe procesy rozkładu z efektywną separacją osadu.
Beztlenowy reaktor biologiczny pełnego wymieszania z separacją osadu w układzie flotacji gazowej to zaawansowany system oczyszczania ścieków, który łączy beztlenowe procesy rozkładu z efektywną separacją osadu. W reaktorze ścieki są intensywnie mieszane, co zapewnia równomierny kontakt z mikroorganizmami beztlenowymi rozkładającymi materię organiczną. W trakcie tego procesu powstaje biogaz, głównie metan i dwutlenek węgla. Biogaz (lub azot) jest następnie wykorzystany do flotacji, czyli unoszenia osadu na powierzchnię dzięki pęcherzykom gazu. Uniesiony osad jest łatwo zbierany z powierzchni flotatora, co pozwala na skuteczne oddzielenie go od oczyszczonej wody. Oczyszczona woda jest odprowadzana z flotatora, podczas gdy osad jest recyrkulowany lub usuwany, w zależności od potrzeb procesu. System ten łączy zalety intensywnego mieszania i efektywnej separacji osadu, co zapewnia wysoką wydajność oczyszczania i stabilność operacyjną. Dużą zaletą jest także niewielka ilość powstających w procesie osadów.
Zaawansowany system oczyszczania ścieków wykorzystujący procesy beztlenowe oraz technologię membranową.
Beztlenowy reaktor biologiczny pełnego wymieszania z separacją osadu w układzie ultrafiltracji membranowej to zaawansowany system oczyszczania ścieków wykorzystujący procesy beztlenowe oraz technologię membranową. W reaktorze ścieki są intensywnie mieszane, co zapewnia równomierny kontakt z mikroorganizmami beztlenowymi, które rozkładają materię organiczną na biogaz, głównie metan i dwutlenek węgla. Po zakończeniu procesu biodegradacji mieszanina ścieków i osadu przepływa przez membrany ultrafiltracyjne. Membrany te działają jak filtry, które zatrzymują cząstki stałe, mikroorganizmy i osad, przepuszczając jedynie oczyszczoną wodę. Oczyszczona woda jest odprowadzana z systemu, podczas gdy osad zostaje skoncentrowany i recyrkulowany do reaktora, co pozwala na utrzymanie wysokiej aktywności mikrobiologicznej. Ultrafiltracja zapewnia wysoką jakość oczyszczonej wody i eliminuje konieczność stosowania dodatkowych procesów separacji osadu. Dzięki połączeniu intensywnego mieszania i zaawansowanej technologii membranowej system ten jest bardzo wydajny, stabilny i odpowiedni do oczyszczania ścieków o wysokiej zawartości substancji organicznych.
System oczyszczania ścieków, który wykorzystuje nośniki biomasy zanurzone w reaktorze wypełnionym wodą.
Reaktor biologiczny typu MBBR (Moving Bed Biofilm Reactor) to system oczyszczania ścieków, który wykorzystuje nośniki biomasy zanurzone w reaktorze wypełnionym wodą. Ścieki są wprowadzane do reaktora, gdzie nośniki, pokryte biofilmem z mikroorganizmami, poruszają się swobodnie, zapewniając dużą powierzchnię do degradacji zanieczyszczeń organicznych. Mikroorganizmy na nośnikach rozkładają materię organiczną, co prowadzi do oczyszczania ścieków. System jest napowietrzany, aby dostarczyć tlen niezbędny do procesów biologicznych i utrzymać nośniki w ciągłym ruchu. Po oczyszczeniu, woda przepływa przez sitowy system separacji, który zatrzymuje nośniki w reaktorze, a oczyszczona woda jest odprowadzana. MBBR jest elastyczny i skalowalny, co pozwala na łatwe dostosowanie do zmieniających się warunków i obciążeń ściekami. Dzięki swojej prostocie i efektywności, system ten jest szeroko stosowany w różnych aplikacjach związanych z oczyszczaniem ścieków.
Procesy membranowe wykorzystywane do oczyszczania ścieków i wody.
Ultrafiltracja to proces membranowy wykorzystywany do oczyszczania wody, polegający na przepuszczaniu jej przez półprzepuszczalne membrany, które zatrzymują cząstki stałe, bakterie i wirusy. Membrany te mogą mieć różne kształty, takie jak płytowe (flat-sheet) i nitkowe (hollow-fiber). W zależności od materiału, z którego są wykonane, membrany mogą być z polifluorku winylidenu (PVDF) lub węglika krzemu (SiC). Sposób filtracji membran może przebiegać od wewnątrz do zewnątrz (inside-out) lub od zewnątrz do wewnątrz (outside-in). Tryby pracy ultrafiltracji mogą być oparte na podciśnieniu (vacuum-driven), gdzie woda jest zasysana przez membrany, lub nadciśnieniu (pressure-driven), gdzie woda jest przepychana przez membrany pod ciśnieniem. W obu trybach membrany zatrzymują zanieczyszczenia, umożliwiając przepływ tylko czystej wody. Dzięki wysokiej efektywności w usuwaniu zanieczyszczeń ultrafiltracja jest szeroko stosowana w oczyszczaniu wody pitnej, ścieków i w procesach przemysłowych.
Urządzenia do usuwania wody z osadu przez prasowanie, odciskanie i inne metody mechaniczne.
Odwadnianie osadów powstających przy oczyszczaniu ścieków przemysłowych to kluczowy proces mający na celu redukcję objętości osadów oraz poprawę ich właściwości do dalszego przetwarzania lub utylizacji. Proces ten polega na usunięciu jak największej ilości wody z osadów, co osiąga się za pomocą różnych metod, takich jak wirówki, prasy filtracyjne czy odwadnianie próżniowe. Głównym celem odwadniania jest zmniejszenie masy i objętości osadów, co przekłada się na niższe koszty transportu i składowania. Odwodnione osady mają również lepsze właściwości mechaniczne, co ułatwia ich dalsze przetwarzanie, takie jak kompostowanie, spalanie czy produkcja biogazu. Dodatkowo, zmniejszenie zawartości wody w osadach minimalizuje ryzyko wycieków i zanieczyszczenia środowiska. Proces odwadniania może także zwiększyć efektywność dalszych etapów oczyszczania, na przykład przez poprawę warunków fermentacji beztlenowej. Dzięki odwadnianiu osadów, proces oczyszczania ścieków przemysłowych staje się bardziej ekonomiczny i przyjazny dla środowiska.
Technologia z grupy zaawansowanych procesów utleniania (AOP) stosowana w szczególnych przypadkach.
Proces Fentona to zaawansowana metoda utleniania stosowana w oczyszczaniu ścieków przemysłowych, która wykorzystuje reakcje chemiczne do degradacji zanieczyszczeń organicznych. Proces ten polega na reakcjach żelaza (II) z nadtlenkiem wodoru (H₂O₂) w celu wytworzenia silnych rodników hydroksylowych (•OH). Te rodniki są bardzo reaktywne i skutecznie utleniają szeroki zakres zanieczyszczeń organicznych, przekształcając je w mniej szkodliwe produkty lub całkowicie je mineralizując. W procesie Fentona, żelazo działa jako katalizator, przyspieszając reakcję i zwiększając efektywność procesu. Po zakończeniu reakcji, produkty uboczne są usuwane lub przetwarzane dalej, a oczyszczona woda może być poddana dalszym etapom uzdatniania. Proces Fentona jest skuteczny w usuwaniu trudnych do rozkładu zanieczyszczeń, takich jak chemikalia przemysłowe, barwniki, pestycydy i niektóre substancje toksyczne.
Specjalistyczne kontenery z zabudowanym wyposażeniem do realizacji dowolnych procesów oczyszczania ścieków przemysłowych.
EMI opracowało modułowe systemy zabudowy kontenerowej w wariancie morskim i przeznaczonym do łączenia w większe układy. Oferowane przez nas kontenery zostały zaprojektowane od podstaw z myślą o pracy w ciężkich warunkach oczyszczalni ścieków przemysłowych. Wnętrza wyłożone są w 100% stalą nierdzewną, posiadają ogrzewanie, wentylację, urządzenia BHP i indywidualnie konfigurowane wyposażenie technologiczne. Zastosowanie zabudowy kontenerowej pozwala maksymalnie skrócić czas realizacji projektu. Całość instalacji jest prefabrykowana w zakładzie produkcyjnym EMI i jest dostarczana gotowa do rozruchu natychmiast po podłączeniu na miejscu (w niektórych wypadkach potrzebne są roboty przygotowawcze takie jak zbiorniki i sieci podziemne, utwardzenie terenu, itp). W ofercie EMI są również zbiorniki w kontenerach, które mogą realizować funkcje uśredniania, magazynowania, a nawet stać się reaktorami biologicznymi.